نام محصول:
فلنج لوله
نام انگلیسی:
Pipe flange FFS
برند:
OMT Group
مشخصات:
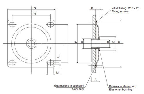
Flanges of the series “FFS” allow the fixing on the oiltank of inlet and outlet tubes and the maintenance or simply the check of the semi-immersed filters into the oiltank.
توضیحات:
Applications
for pipes
Material
steel
Other characteristics
through-hole
Nominal diameter
Min.: 15 mm(0.59 in)Max.: 89 mm(3.5 in)





دیدگاهها
هیچ دیدگاهی برای این محصول نوشته نشده است.